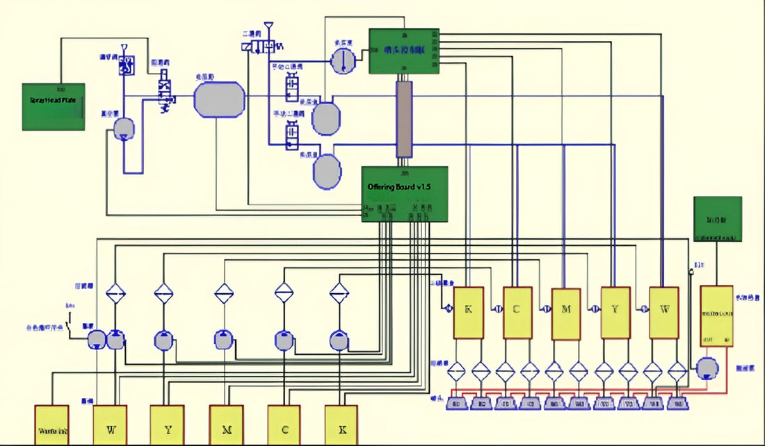
Overview of Negative Pressure Systems
- I. Negative-Pressure Ink Supply System
- II. Common Components of a Negative-Pressure Ink System and Their Functions
- 1. Vacuum Generator
- 2. Negative-Pressure Gauge
- 3. Common Ink Types
- 4. Function of the Pump
- 5. Function of Solenoid Valves
- Working Principle of Solenoid Valves:
- * Direct-acting solenoid valve:
- * Pilot-operated solenoid valve:
- Types of Solenoid Valves:
- 6. Filters
I. Negative-Pressure Ink Supply System
A vacuum pump or an external air source is used together with a vacuum generator to create negative pressure. This negative pressure counteracts the gravity of the ink, keeping the ink at a balanced state at the nozzle. In this configuration, the ink cartridge is installed above the printhead, and the printing material is not restricted by the ink supply method.

II. Common Components of a Negative-Pressure Ink System and Their Functions
1. Vacuum Generator
Air forms a jet flow inside the nozzle. When the jet enters a pipe with a cross-sectional area twice that of the nozzle, a *diffuser effect* occurs. Friction between the jet edge and the surrounding air generates turbulence. The surrounding air mixes with the jet and expands, being drawn into the expansion chamber. As a result, the airflow at the outlet is greater than the air consumption at the nozzle. This volume difference is extracted from the vacuum connection located between the nozzle and the diffuser.

The negative-pressure system is used to provide negative pressure for the printer’s ink system and positive pressure for printhead cleaning, ensuring efficient and stable machine operation. Depending on the printer design, different numbers of negative-pressure channels may be used.
Negative pressure is generally divided into color negative pressure and white ink negative pressure, and the value of each set is adjusted according to the operating environment.
* Different ink paths require different negative-pressure values.
* Different ink formulations require different negative-pressure values.
* Users must adjust the negative pressure according to the actual operating conditions of the machine.
2. Negative-Pressure Gauge
In common small-format printers, the two outputs of the negative-pressure gauge work as follows:
* One output provides over-positive-pressure protection. When the pressure exceeds 30 kPa, a protection signal is output.
* The other output provides over-negative-pressure protection. When the absolute negative pressure drops below approximately –2.8 kPa, a protection signal is output.
These two signals are combined into a single control signal that controls the operation of a two-way solenoid valve.
In large-format equipment, the two outputs function differently:
* One output provides over-negative-pressure protection. When the absolute negative pressure is lower than approximately –3.4 kPa, a protection signal is output to open a two-way valve.
* The other output provides under-pressure protection. When the absolute negative pressure is higher than –2.5 kPa, a protection signal is output to actuate a three-way valve.
3. Common Ink Types
* UV Ink: Cures through a chemical reaction when exposed to ultraviolet light.
* Solvent Ink and Eco-Solvent Ink: Dry through solvent evaporation.
4. Function of the Pump
The pump extracts ink from the main ink tank at a certain pressure and supplies it to the secondary ink tank for printhead consumption, forming a continuous ink flow. It also draws in fresh ink while transferring old ink to the waste ink recovery container.
Types of Pumps:
1. Diaphragm pump: DC 24 V
2. Rotary vane pump: DC 12 V
3. Vacuum pumps and liquid pumps




5. Function of Solenoid Valves
* On/Off Control: Controls the opening and closing of gas or liquid flow to regulate system operation.
* Flow Regulation: Adjusts the opening degree of the valve core to control flow rate and volume.
* Direction Control: Changes the direction of fluid flow to switch and control flow paths.
Working Principle of Solenoid Valves:
A solenoid valve mainly consists of a coil, valve body, valve core, and seals. When energized, current flows through the coil and generates a magnetic field. This magnetic field attracts or pushes the valve core, changing the inlet and outlet paths of the valve body and thereby controlling the flow of liquid or gas.
* Direct-acting solenoid valve:
When energized, the electromagnetic force lifts the sealing element off the valve seat, opening the valve. When power is cut, the electromagnetic force disappears, and the spring presses the sealing element back onto the valve seat, closing the valve.
* Pilot-operated solenoid valve:
When energized, the electromagnetic force opens the pilot orifice, rapidly reducing the pressure in the upper chamber and forming a pressure differential (lower pressure above, higher pressure below). The fluid pressure pushes the main valve element upward, opening the valve. When de-energized, the spring force opens the pilot orifice, and inlet pressure passes through the bypass to quickly balance the chamber, forming a reverse pressure differential that pushes the main valve element downward to close the valve.
Types of Solenoid Valves:
1. Two-position, two-way valve (direct-acting)
2. Two-position, three-way valve (direct-acting and pilot-operated)
3. Two-position, four-way valve (direct-acting)
4. Two-position, five-way valve (pilot-operated)


6. Filters
* Main Filter: Located downstream of the pump, with a filtration precision of up to 10 μm. It stabilizes pressure and provides buffering. Typically replaced every 1,500 hours.
* Secondary Filter: Higher filtration grade, usually around 5 μm, preventing larger particles from entering the nozzles.
Common types include capsule filters, disc filters, and pen-type filters.


