Micolorprint

Ricoh TH5241/Ricoh GH2220/Ricoh TH6310F/Ricoh MH5420 and MH5440/Ricoh MH5320 and MH5340 Printhead Specifications and Applications

Ricoh TH5241/Ricoh GH2220/Ricoh TH6310F/Ricoh M...

Table of content. Ricoh GH2220 Printhead Specifications and Applications   Basic Specifications of the GH2220 Printhead   Application Advantages of the GH2220 Printhead   Technology Background and Support   Conclusion...

Ricoh TH5241/Ricoh GH2220/Ricoh TH6310F/Ricoh M...

Table of content. Ricoh GH2220 Printhead Specifications and Applications   Basic Specifications of the GH2220 Printhead   Application Advantages of the GH2220 Printhead   Technology Background and Support   Conclusion...

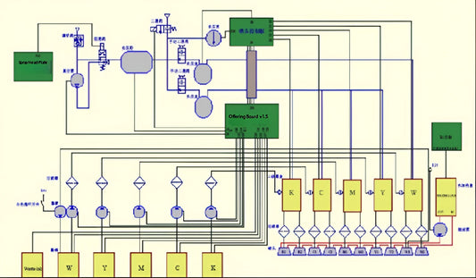
Circulating Ink Path System and PID Control Application

Circulating Ink Path System and PID Control App...

Table of content. I. Basic Concept of the Circulating Ink Path System II. Working Principle of the Circulating Ink Path System   Ink Supply and Return III. PID Control Method...

Circulating Ink Path System and PID Control App...

Table of content. I. Basic Concept of the Circulating Ink Path System II. Working Principle of the Circulating Ink Path System   Ink Supply and Return III. PID Control Method...

RIP Image Processing Algorithms: Principles, Applications, and Development Trends

RIP Image Processing Algorithms: Principles, Ap...

Table of content. I. Basic Principles of RIP Algorithms   1. Rasterization Concept   2. Color Processing   3. Resolution Processing II. Applications of RIP Algorithms   1. Printing Industry...

RIP Image Processing Algorithms: Principles, Ap...

Table of content. I. Basic Principles of RIP Algorithms   1. Rasterization Concept   2. Color Processing   3. Resolution Processing II. Applications of RIP Algorithms   1. Printing Industry...

Principles and Applications of Siphon Ink Supply System

Principles and Applications of Siphon Ink Suppl...

Table of content. 1. Siphon Ink Supply System 2. Siphon 3. Siphon Ink Supply 4. Siphon Principle 5. Siphon Phenomenon 6. Siphon Ink Supply vs. Traditional Gravity Ink Supply 7....

Principles and Applications of Siphon Ink Suppl...

Table of content. 1. Siphon Ink Supply System 2. Siphon 3. Siphon Ink Supply 4. Siphon Principle 5. Siphon Phenomenon 6. Siphon Ink Supply vs. Traditional Gravity Ink Supply 7....

Overview of Negative Pressure Systems

Overview of Negative Pressure Systems

Table of content. I. Negative-Pressure Ink Supply System II. Common Components of a Negative-Pressure Ink System and Their Functions   1. Vacuum Generator   2. Negative-Pressure Gauge   3. Common...

Overview of Negative Pressure Systems

Table of content. I. Negative-Pressure Ink Supply System II. Common Components of a Negative-Pressure Ink System and Their Functions   1. Vacuum Generator   2. Negative-Pressure Gauge   3. Common...

Basic Principles and Practical Applications of UV Inks

Basic Principles and Practical Applications of ...

Table of content. 1. How does viscosity affect printing? 2. Relationship between temperature and viscosity 3. How do excessively high or low viscosity levels affect printing?   * If viscosity...

Basic Principles and Practical Applications of ...

Table of content. 1. How does viscosity affect printing? 2. Relationship between temperature and viscosity 3. How do excessively high or low viscosity levels affect printing?   * If viscosity...